HU
Menu
Termékek
Szaniter termékek
Híreink
Csaptelepek
Zuhanyok
Mosogatók
Kiegészítők és alkatrészek
Fürdőszobai kiegészítők
Csaptelepek és zuhanyok középületek számára
Szerviz kiegészítők
Lásd még
A FERRO termékekkel rendelkező épület sematikus ábrája
Fűtéstechnika
Híreink
FERRO System - Padlófűtés
Vízvezeték szerelvények
Mérőeszközök
Gázszerelvények
Biztonsági és szabályzó szelepek
Tágulási tartályok
Sárgaréz fittingek
Hőcserelő szettek-keringetőszivattyuk es lemezes hőcserelők
Szivattyúk
Radiátor kiegészítők
Termosztátos radiátorszelepek
Katalógusok
Katalógusok
Képes termékadatlapok (szaniterek)
Képes termékadatlapok (fűtéstechnika)
3D fotók, képek
Enteriőr képek
Műszaki és minőségi dokumentáció
ÁNTSZ igazolások
Hatósági jóváhagyás keringetőszivattyúk forgalmazásához
Egyéb
Garancia kártyák, használati útmutatók
Szerviz
Garanciális szervizbejelentés
Szolgáltatási díjas szerviz
Alkatrészek
GYIK
GYIK (Gyakran Ismételt Kérdések)
Garanciális hibabejelentés módja
Cég
Karrier
Elérhetőség
HU - magyar
Corporate
PL - polski
BG - български
CZ - čeština
EN - english
HR - hrvatski
LT - lietuvių kalba
RO - romana
KZ - русский
SK - slovenčina
Főoldal
Termékek
Sárgaréz fittingek
Sárgaréz fittingek
K - Sárgaréz könyök, KB
K - Sárgaréz könyök, BB
T - Sárgaréz szűkített T-idom
T - Sárgaréz egál T-idom
N - Sárgaréz szűkítő közcsavar KK
N - Sárgaréz közcsavar
M - Sárgaréz szűkített karmantyú
M - Sárgaréz karmantyú
R - Sárgaréz KB szűkítő
KOR - Sárgaréz dugó
ZAS - Sárgaréz kupak
KR1 - Sárgaréz csőközcsavar
P - Sárgaréz csaphosszabbító
RN - Sárgaréz szűkítő BK menetes
SGT - Sárgaréz T-idom hőmennyiség-mérő csatlakozási ponttal (16 bar)
Sárgaréz T-idom hőmennyiség-mérő csatlakozási ponttal (16 bar)
×
×
Kód:
SGT
PDF termékkártya
max. üzemi hőmérséklet: 100°C
max. üzemi nyomás: 10 bar
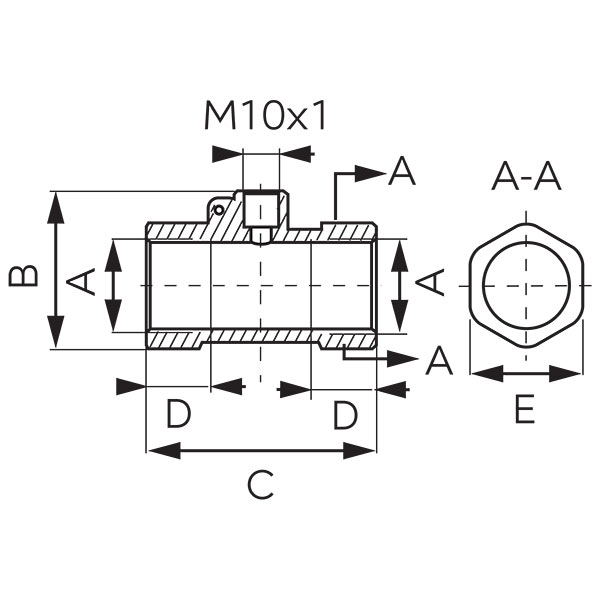
Kód
A
B [mm]
C [mm]
D [mm]
E [mm]
Egységcs.
Gyűjtőcs.
Bruttó ár [Ft]
SGT1
1/2" x M10x1
G1/2
44,1
56,0
14,5
24,9
20
240
1 535,00
SGT2
3/4" x M10x1
G3/4
43,8
64,0
18,0
31,5
15
180
2 490,00
FERRO - Szaniter szerelvények és kiegészítők, fűtéstechnika és szerelvények katalógus 2025-2026
(PDF 55,2 MB)